Wiring Diagram For 1999 Jeep Grand Cherokee - 1999 Jeep Grand Cherokee Laredo Fuse Box Diagram Wiring Diagram Direct Base Demand Base Demand Siciliabeb It : 1999, 2000, 2001, 2002, 2003, 2004, 2005).. Jeep cherokee service manual for roadside repairs. This repair manual for jeep grand cherokee is specially created taking into account the fact that users will practice it and apply new knowledge about the car in life. Troubleshooting this computer can be challenging because it's not as easy to pinpoint the source of the problem, as it is consult a wiring diagram for your vehicle if you are unsure of the exact fuse and relay locations. A label is stamped on the fuse panel cover to identify each fuse for ease of replacement. This video will show you how to access the complete jeep grand cherokee wiring diagrams and details of the wiring harness.

Wk2jeeps.com website premier sponsor discount jeep parts and accessories. Troubleshooting this computer can be challenging because it's not as easy to pinpoint the source of the problem, as it is consult a wiring diagram for your vehicle if you are unsure of the exact fuse and relay locations. A label is stamped on the fuse panel cover to identify each fuse for ease of replacement. This repair manual for jeep grand cherokee is specially created taking into account the fact that users will practice it and apply new knowledge about the car in life. Wkjeeps.com website premier sponsor discount jeep parts and accessories.

1998 Jeep Grand Cherokee 4 0 Wiring Diagram 97 Ford Mustang Radio Wiring Diagram Bege Wiring Diagram
1998 Jeep Grand Cherokee 4 0 Wiring Diagram 97 Ford Mustang Radio Wiring Diagram Bege Wiring Diagram from ww2.justanswer.com
Fuse box diagrams (location and assignment of electrical fuses and relays) jeep grand cherokee (wj; 1999, 2000, 2001, 2002, 2003, 2004, 2005). A complete wiring diagram, with wiring information, for your 1999 pontiac grand prix can be obtained from most general motors dealerships. Jeep cherokee 1990 jeep cherokee laredo 1990 jeep cherokee limited 1990 jeep cherokee pioneer 1990 jeep cherokee sport 1990 jeep comanche 1990 jeep comanche eliminator 1990 jeep comanche pioneer 1990 jeep grand wagoneer 1990. Wk2jeeps.com website premier sponsor discount jeep parts and accessories. The junction box in a 1999 jeep grand cherokee is on the passenger side. Every year, the company's engineers add to their models more and more useful new features that serve to improve the comfort of the car. We want your wiring diagrams!

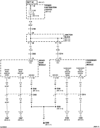
Brake light wiring diagram of 1998 jeep grand cherokee.jpg.

These cherokee manuals have been provided by our users, so we can't guarantee completeness. 1999 jeep grand cherokee brake light wiring diagram. 1999, 2000, 2001, 2002, 2003, 2004, 2005). Wkjeeps.com website premier sponsor discount jeep parts and accessories. Troubleshooting this computer can be challenging because it's not as easy to pinpoint the source of the problem, as it is consult a wiring diagram for your vehicle if you are unsure of the exact fuse and relay locations. Here you will find fuse box diagrams of. Troubleshooting and electrical service procedures are combined with detailed wiring diagrams for ease of use. Every year, the company's engineers add to their models more and more useful new features that serve to improve the comfort of the car. A label is stamped on the fuse panel cover to identify each fuse for ease of replacement. Jeep cherokee service manual for roadside repairs. This repair manual for jeep grand cherokee is specially created taking into account the fact that users will practice it and apply new knowledge about the car in life. Battery voltage greater than 10 volts. Brake light wiring diagram of 1998 jeep grand cherokee.jpg.

Troubleshooting and electrical service procedures are combined with detailed wiring diagrams for ease of use. All jeep models that are created today, one way or another are followers of the first brand cars. Jeep cherokee 1990 jeep cherokee laredo 1990 jeep cherokee limited 1990 jeep cherokee pioneer 1990 jeep cherokee sport 1990 jeep comanche 1990 jeep comanche eliminator 1990 jeep comanche pioneer 1990 jeep grand wagoneer 1990. We want your wiring diagrams! For the jeep grand cherokee second generation 1999, 2000, 2001, 2002, 2003, 2004 model year.

95 Grand Cherokee Heater Wiring Diagram Wiring Diagram Networks
95 Grand Cherokee Heater Wiring Diagram Wiring Diagram Networks from lh4.googleusercontent.com
Wkjeeps.com website premier sponsor discount jeep parts and accessories. Here you will find fuse box diagrams of. All jeep models that are created today, one way or another are followers of the first brand cars. A label is stamped on the fuse panel cover to identify each fuse for ease of replacement. 1999 jeep grand cherokee brake light wiring diagram. Diagrams needed are for yj wranglers only and should be posted under the yj technical *hint hint, rusty, cough, tomb raider*. Jeep cherokee 1990 jeep cherokee laredo 1990 jeep cherokee limited 1990 jeep cherokee pioneer 1990 jeep cherokee sport 1990 jeep comanche 1990 jeep comanche eliminator 1990 jeep comanche pioneer 1990 jeep grand wagoneer 1990. 87 jeep cherokee wiring diagram on lights | jeep cherokee.

For a complete wiring diagram refer to section 8w.

Jeep grand cherokee wj electrical wiring diagram. Jeep cherokee 1990 jeep cherokee laredo 1990 jeep cherokee limited 1990 jeep cherokee pioneer 1990 jeep cherokee sport 1990 jeep comanche 1990 jeep comanche eliminator 1990 jeep comanche pioneer 1990 jeep grand wagoneer 1990. 1999 jeep grand cherokee brake light wiring diagram. Wkjeeps.com website premier sponsor discount jeep parts and accessories. This video will show you how to access the complete jeep grand cherokee wiring diagrams and details of the wiring harness. Jeep cherokee owners manual covering weekly. The junction box in a 1999 jeep grand cherokee is on the passenger side. All jeep models that are created today, one way or another are followers of the first brand cars. A label is stamped on the fuse panel cover to identify each fuse for ease of replacement. The fuse panel is on the lower instrument panel just to the left of the steering column. 1999, 2000, 2001, 2002, 2003, 2004, 2005). Battery voltage greater than 10 volts. A complete wiring diagram, with wiring information, for your 1999 pontiac grand prix can be obtained from most general motors dealerships.

971 x 1216 jpeg 156 кб. We've checked the years that the manuals cover and here's a non exhaustive list of what's covered; Jeep grand cherokee wj electrical wiring diagram. 1999, 2000, 2001, 2002, 2003, 2004, 2005). The junction box in a 1999 jeep grand cherokee is on the passenger side.

1999 Jeep Grand Cherokee Turn Signal Wiring Diagram Center Wiring Diagram Slow Detail Slow Detail Iosonointersex It
1999 Jeep Grand Cherokee Turn Signal Wiring Diagram Center Wiring Diagram Slow Detail Slow Detail Iosonointersex It from deltadiagram.weighingdevice.fr
971 x 1216 jpeg 156 кб. The fuse panel is on the lower instrument panel just to the left of the steering column. 1999, 2000, 2001, 2002, 2003, 2004, 2005). This repair manual for jeep grand cherokee is specially created taking into account the fact that users will practice it and apply new knowledge about the car in life. In the jeep grand cherokee it's known as the pcm or powertrain control module. Wkjeeps.com website premier sponsor discount jeep parts and accessories. Battery voltage greater than 10 volts. Troubleshooting this computer can be challenging because it's not as easy to pinpoint the source of the problem, as it is consult a wiring diagram for your vehicle if you are unsure of the exact fuse and relay locations.

For the jeep grand cherokee second generation 1999, 2000, 2001, 2002, 2003, 2004 model year.

For a complete wiring diagram refer to section 8w. 1999, 2000, 2001, 2002, 2003, 2004, 2005). A complete wiring diagram, with wiring information, for your 1999 pontiac grand prix can be obtained from most general motors dealerships. Brake light wiring diagram of 1998 jeep grand cherokee.jpg. The fuse panel is on the lower instrument panel just to the left of the steering column. Troubleshooting and electrical service procedures are combined with detailed wiring diagrams for ease of use. In the jeep grand cherokee it's known as the pcm or powertrain control module. 1999 jeep grand cherokee brake light wiring diagram. Troubleshooting this computer can be challenging because it's not as easy to pinpoint the source of the problem, as it is consult a wiring diagram for your vehicle if you are unsure of the exact fuse and relay locations. Wkjeeps.com website premier sponsor discount jeep parts and accessories. We've checked the years that the manuals cover and here's a non exhaustive list of what's covered; This repair manual for jeep grand cherokee is specially created taking into account the fact that users will practice it and apply new knowledge about the car in life. Diagrams needed are for yj wranglers only and should be posted under the yj technical *hint hint, rusty, cough, tomb raider*.

By